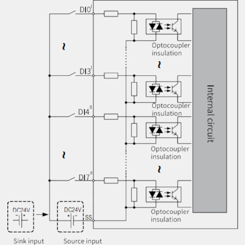
Moduł wejść cyfrowych GL20-0800END dedykowany do współpracy ze sterownikami Inovance EASYPLC oraz adapterami komunikacyjnymi GL20. Rozszerzenie GL20-0800END pozwala na rozbudowanie możliwości sterownika o 8 wejść binarnych PNP/NPN. Dodatkowo moduł ten został wyposażony w diodę LED sygnalizującą stan wejść. Czas odpowiedzi w przypadku 8-punktowego moduły wejść cyfrowych GL20 wynosi ON/OFF 100us.
Kompaktowa obudowa rozszerzenia GL20-0800END została przystosowana do montażu na szynie DIN a jej wymiar to: 100x14,5x75mm. Moduł posiada zaciski śrubowe oraz demontowane zaciski sprężynowe.
GL20-0800END, Inovance GL20-0800END, moduł GL20-0800END cena
Cenimy Twoją prywatność
Używamy plików cookie, aby ulepszyć komfort przeglądania, wyświetlać spersonalizowane reklamy lub treści oraz analizować ruch w naszej witrynie. Klikając „Akceptuj wszystkie”, wyrażasz zgodę na używanie przez nas plików cookie.
Dostosuj swoje zgody
Używamy plików cookie, aby ułatwić Ci nawigację i wykonywanie niektórych funkcji. Szczegółowe informacje na temat wszystkich plików cookie znajdziesz poniżej w każdej kategorii zgody.
Pliki cookie sklasyfikowane jako „Niezbędne” są przechowywane w Twojej przeglądarce, ponieważ są niezbędne do uruchomienia podstawowych funkcji witryny.
Używamy również plików cookie stron trzecich, które pomagają nam analizować sposób korzystania z tej witryny, zapisywać Twoje preferencje oraz dostarczać treści i reklamy, które są dla Ciebie istotne. Te pliki cookie będą przechowywane w Twojej przeglądarce wyłącznie za Twoją uprzednią zgodą.
Możesz włączyć lub wyłączyć niektóre lub wszystkie te pliki cookie, ale wyłączenie niektórych z nich może wpłynąć na komfort przeglądania.