
Moduł 16 wejść binarnych i 8 wyjść przekaźnikowych 8A.58.9.024.1600 Finder

Moduł 16 wejść binarnych i 8 wyjść SSR 2A 8A.88.9.024.1600 Finder

Moduł 6 wejść analogowych i 2 wyjść analogowych 8A.26.9.024.0600 Finder

Przekaźnik programowalny logicznie 8 wejść i 4 wyjścia przekaźnikowe 8A.04.9.024.8300 Finder
928,00

Przekaźnik programowalny logicznie 8 wejść i 4 wyjścia przekaźnikowe 8A.04.9.024.8310 Finder
1018,37

Przekaźnik programowalny logicznie 8 wejść i 4 wyjścia przekaźnikowe 8A.04.9.024.8320 Finder
1222,23
Sterowniki PLC finder można programować w środowisku Arduino PLC IDE, CODESYS oraz Arduino IDE.
Sterowniki Finder mogą być zasilane napięciem stałym w zakresie 12-24V.
Tak, sterowniki Finder mogą być rozszerzane o moduły, maksymalnie 5 modułów dla jednej jednostki centralnej.
W zależności od użytego programu sterowniki można programować za pomocą języków używanych standardowo przez PLC (LD,FBD,ST) lub za pomocą języka używanego przez Arduino (C lub C++).
Standardowo do połączenia używa się złącza USB 3.0.
Sterowniki PLC Finder OPTA przeznaczone do prostych aplikacji automatyki przemysłowej. Programowalne przekaźniki logiczne Finder konfigurowane są w IDE/Arduino oraz drabince czy FBD. Urządzenie znalazło zastosowanie prostych aplikacjach automatyki przemysłowej czy budynkowej.
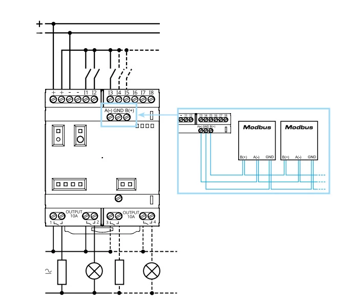
Programowalny logiczny przekaźnik Finder został wyposażony w mocny wydajny procesor Cortex M7+M4. W zależności od wybranego modelu dostępna jest komunikacja; Modbus RY, Modbus TCP, Ethernet. Kolejnym atutem jest sterownik OPTA ADVANCED wyposażony w zabudowany moduł Wi-Fi oraz Bluetooth. Wszystkie PLR OPTA Finder zasilane są napięciem 12...24VDC oraz dysponują portem USB typ C przeznaczonym do programowania i rejestracji danych. Sterowniki Finder z tej serii dysponują 8 wejściami cyfrowymi, które mogą pracować jako wejścia analogowe napięciowe oraz 4 wyjściami przekaźnikowymi 10A. PLR OPTA jest połączeniem doświadczenia marki Finder z technologią Arduino.



PLC OPTA Finder znalazły szerokie zastosowanie w aplikacjach automatyki. Przykładem ich zastosowania są zakłady produkcyjne, centra logistyczne. Wykorzystywane są w procesach produkcyjnych czy przetwórczych. Kolejnym przykładem zastosowania OPTA Finder są aplikacje do zarządzania źródłami zasilania. Sprawdzają się przy sterowaniu oświetleniem, systemem alarmowym czy systemem informacyjnym. PLR OPTA Finder sprawdzają się również w automatyce budynkowej, smart home czy aplikacjach HVAC.