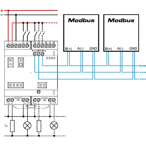
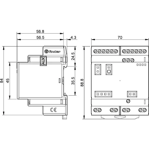
Sterownik PRL 8A.04.9.024.8320 Finder zasilany jest napięciem 12...24VDC. Urządzenie zostało wyposażone w 8 wejść binarnych, które mogą pracować jako analogowe napięciowe oraz w 4 wyjścia przekaźnikowe 10A. Przekaźnik programowalny logicznie 8A.04.9.024.8320 dysponuje portem USB typ C, port RJ45 dla sieci Ethernet, Modbus TCP/IP oraz Modbus RTU po RS485. Dodatkowo PLR OPTA ADVANCED został wyposażony w zabudowany moduł Wi-Fi i Bluetooth. Ponadto producent wyposażył PRL OPTA w wskaźnik zadziałania do każdego z wyjść w postaci diody LED. Urządzenia dysponują pamięcią flash 2 MB int + 16 MB flash QSPI. Sterownik PRL OPTA Advanced Finder można programować przy pomocy następujących języków: Arduino IDE, LD, SFC, FBD, ST oraz IL. Przekaźnik programowalny OPTA Advanced 8A.04.9.024.8320 ma kompaktową obudowę z tworzywa przystosowaną do montażu na szynie DIN oraz wymiarach: 88,8 x 70 x 56,8 mm.
Wejścia/Wyjścia
Wejścia binarne
8
Wyjścia przekaźnikowe
4
Wejścia analogowe
8
Napięcie wejść analogowych (V)
0...10
Prąd wyjść binarnych (A)
10
Rozdzielczość (bit)
12 16
Komunikacja
Komunikacja
Modbus TCP Ethernet WiFi Bluetooth RJ45 Modbus RTU USB-C RS485
Używamy plików cookie, aby ulepszyć komfort przeglądania, wyświetlać spersonalizowane reklamy lub treści oraz analizować ruch w naszej witrynie. Klikając „Akceptuj wszystkie”, wyrażasz zgodę na używanie przez nas plików cookie.
Dostosuj swoje zgody
Używamy plików cookie, aby ułatwić Ci nawigację i wykonywanie niektórych funkcji. Szczegółowe informacje na temat wszystkich plików cookie znajdziesz poniżej w każdej kategorii zgody.
Pliki cookie sklasyfikowane jako „Niezbędne” są przechowywane w Twojej przeglądarce, ponieważ są niezbędne do uruchomienia podstawowych funkcji witryny.
Używamy również plików cookie stron trzecich, które pomagają nam analizować sposób korzystania z tej witryny, zapisywać Twoje preferencje oraz dostarczać treści i reklamy, które są dla Ciebie istotne. Te pliki cookie będą przechowywane w Twojej przeglądarce wyłącznie za Twoją uprzednią zgodą.
Możesz włączyć lub wyłączyć niektóre lub wszystkie te pliki cookie, ale wyłączenie niektórych z nich może wpłynąć na komfort przeglądania.