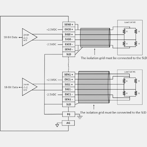
Moduł wagowy M02LC dedukowany dla sterowników PLC Fatek serii M. Rozszerzenie pozwala rozbudować możliwości jednostki głównej o możliwość obsługi 2 czujników wagowych.
Prawostronny moduł M04LC charakteryzuje się poziomem czułość: 1mV/V, 2mV/V, 3mV/V, 4mV/V. Częstotliwość próbkowania dla tego modułu Fatek M wynosi 100 Hz. Precyzyjność szacowana jest na poziomie 0,5%.
Moduł Fatek M02LC posiada kompaktową obudowę o wymiarach: 27x90x110 mm.
Używamy plików cookie, aby ulepszyć komfort przeglądania, wyświetlać spersonalizowane reklamy lub treści oraz analizować ruch w naszej witrynie. Klikając „Akceptuj wszystkie”, wyrażasz zgodę na używanie przez nas plików cookie.
Dostosuj swoje zgody
Używamy plików cookie, aby ułatwić Ci nawigację i wykonywanie niektórych funkcji. Szczegółowe informacje na temat wszystkich plików cookie znajdziesz poniżej w każdej kategorii zgody.
Pliki cookie sklasyfikowane jako „Niezbędne” są przechowywane w Twojej przeglądarce, ponieważ są niezbędne do uruchomienia podstawowych funkcji witryny.
Używamy również plików cookie stron trzecich, które pomagają nam analizować sposób korzystania z tej witryny, zapisywać Twoje preferencje oraz dostarczać treści i reklamy, które są dla Ciebie istotne. Te pliki cookie będą przechowywane w Twojej przeglądarce wyłącznie za Twoją uprzednią zgodą.
Możesz włączyć lub wyłączyć niektóre lub wszystkie te pliki cookie, ale wyłączenie niektórych z nich może wpłynąć na komfort przeglądania.