PLC B1z - Charakterystyka
Sterowniki PLC B1z od Fatek
Sterowniki PLC B1z to rodzina mikro sterowników od Fatek. Urządzenia te nie mają możliwości rozbudowy o dodatkowe moduły rozszerzeń. W związku z brakiem modułów rozszerzeń dedykowane są do małych i średnich aplikacji.
Charakterystyka sterowników PLC B1z
Mikro sterowniki PLC B1z dostępne są w 7 wielkościach. Fatek oferuje odpowiednio jednostki 10-punktowe, 14-punktowe, 20-punktowe, 24-punktowe, 32-punktowe, 40-punktowe oraz 60-punktowe. Ze względu na brak możliwości rozbudowy operator ma do dyspozycji odpowiednio: 6/8/12/14/20/24/36 wejść binarnych. Wejścia binarne dostępne w zależności od modelu to: 4/6/8/10/12/16/24. W standardzie jednostki zostały wyposażone w 2 porty komunikacyjne: RS232 oraz RS485. W przeciwieństwie do pozostałych sterowników PLC Fatek seria B1z dostępna jest tylko i wyłącznie z zasilaniem DC. Ponadto obecnie na rynku występują one tylko w obudowie typu slim. W zależności od modelu dostępne są wyjścia przekaźnikowe lub tranzystorowe.

Sterowniki B1z dostępne są z 3 rodzajami wejść cyfrowych:
- Szybkimi 50 kHz,
- Średniej szybkości 5 kHz,
- Małej szybkości < 50 Hz.
Prąd progowy w przypadku wejść szybkich oraz średniej szybkości wynosi odpowiednio: wł. >4 mA; wył. < 1,5 mA. Natomiast maksymalny prąd wejściowy to: 7,6 A. W przypadku wejść cyfrowych małej szybkości wartości prądu progowego to: wł. > 2,3 mA, wył. < 0,9A, a maksymalny prąd wejściowy wynosi 4,5 mA.
Stan wejść ukazywany jest przy pomocy wskaźnika LED. Wskaźnik ten świeci się w momencie, kiedy wejścia są załączone. Przełączenie pomiędzy NPN a PNP w przypadku wejść binarnych następuje poprzez kombinację zacisku wspólnego S/S z zewnętrznym okablowaniem.

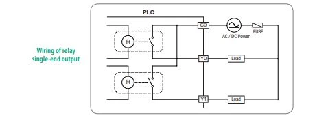
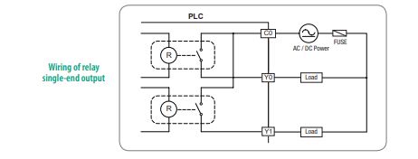
Biorąc pod uwagę wyjścia binarne, sterowniki te można podzielić na jednostki z wyjściami:
- przekaźnikowymi,
- tranzystorowymi PNP,
- tranzystorowymi NPN.
Maksymalny czas opóźnienia na wyjściu w przypadku wyjść przekaźnikowych wynosi 10 ms. Maksymalny prąd obciążenia rezystancyjnego wynosi odpowiednio 2A - pojedyncze oraz 4 A- grupowe. Przy obciążeniu indukcyjnym jest to 24 VA (DC). Wyjścia przekaźnikowe w PLC B1z zostały wyposażone w izolację elektromagnetyczną, 1500 V AC, 1 minuta. Wyjścia binarne przekaźnikowe mogą zostać ustawione przez operatora na PNP lub NPN.

Biorąc pod uwagę wyjścia tranzystorowe, sterowniki B1z Fatek zostały wyposażone zarówno w szybkie, jak i średniej szybkości wyjścia. Napięcie robocze przy wyjściach tranzystorowych wynosi 5-30 V DC. Maksymalny prąd obciążenia indukcyjnego, jak i rezystancyjnego przy wyjściach szybkich wynosi 0,3 A, natomiast dla wyjść tranzystorowych małej szybkości jest to 0,5 A. Wybór typu wyjścia tranzystorowego następuje poprzez odpowiedni wybór modelu sterownika PLC. Sterowniki zawierające w kodzie literkę " J " dysponują wyjściami tranzystorowymi PNP np. B1z-24MJ25-D24-S. Jednostki posiadające w kodzie literę " T " wyposażone zostały w wyjścia tranzystorowe NPN, np. B1z-24MT25-D24-S
